Pant bočnic BSCH 30-2 s pružinovou pojistkou
Kód: 100742Detailní popis produktu
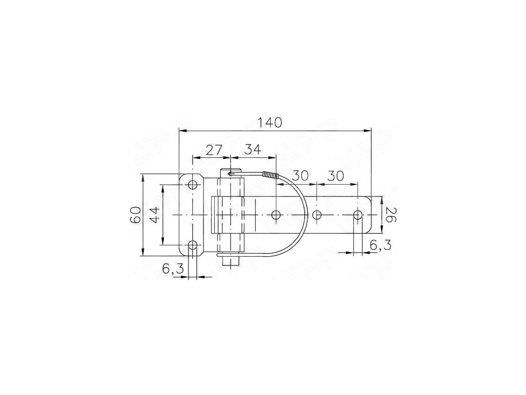
Kompletní pant bočnic BSCH 30-2 s čepem zajištěným pružinovou pojistkou.
Pant je snadno rozložitelný a po odjištění zajišťovací pružiny lze snadno vytáhnout čep a tím rozpojit obě části pantu od sebe. Díky tomu je tento pant vhodný pro použití na otevíratelných / odnímatelných předních a zadních čelech přívěsů.
- Průměr čepu: 12 mm
- Síla materiálu pantu: 3 mm
- Průměr montážních otvorů: 6,3 mm
- Povrchová úprava: Galvanicky pozinkovaný

Doplňkové parametry
| Kategorie: | Bočnice nákladních přívěsů |
|---|---|
| EAN: | 4251302404218 |
Buďte první, kdo napíše příspěvek k této položce.
Přidat hodnocení
Buďte první, kdo napíše příspěvek k této položce.