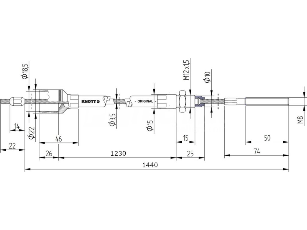
Brzdový lanovod KNOTT 1230/1440 mm, závit M8
Kód: 90032Související produkty
Detailní popis produktu
Brzdový lanovod KNOTT s teflonovou kluznou vložkou, včetně tukových zátek pro minimální odpor.
Vhodný pro nápravy KNOTT GB / VGB do 1800 kg
- KNOTT GB8 / GB10 / GB13 / GB15 / GB18 / VGB8 / VGB10 / VGB13 / VGB15 / VGB18
Pro kolové brzdové jednotky KNOTT
- KNOTT 16-1365 (160x35)
- KNOTT 16-1369/1 (160x35)
- KNOTT 20-2425/1 (200x50)
- KNOTT 20-2426/1 (200x50)
- KNOTT 20-4320 (200x35)
- KNOTT 20.32-1647 (203.2x40)
- KNOTT 25-2025 (250x40)
- KNOTT 25-2026 (250x40)
| výrobce | KNOTT |
| délka bowdenu | 1230 mm |
| délka lana | 1440 mm |
| zakončení | závit M8 - zátisk |
| vnější průměr koncovky u zátisku | 22 mm |
| vnitřní průměr koncovky u zátisku | 18,5 mm |
Zakončení lana závitem M8 na straně pro namontování do vahadel umožňuje použití lanovodu i pro starší typy vahadel bez průřezu pro rychlomontážní lana. Závit zároveň dosáhne přesného nastavení vahadel v případech, kdy je měněno pouze jedno lano a poškozená lana mají mírně odlišnou délku.
Koncovka bowdenu (nátrubek) pro nasazení na vyústění kolové jednotky má vnější průměr 22 mm a vnitřní průměr 18,5 mm.
Pro zajištění lana ve vahadle je nutné použít kulovou matici M8, která je navíc zajištěna kontramaticí M8 (samojistná matice). Matice nejsou součástí balení.
Pro dvounápravové přívěsy doporučuje společnost KNOTT asymetrické zapojení lanovodů, kdy je přední náprava zapojena na jedné straně tandemového vahadla a zadní náprava je zapojena na druhé straně. V případě vytržení jednoho lana při nehodě zajistí lepší symetrii brzdění zbylých kol.
Symetrické zapojení lanovodů, kdy jsou obě levé kolové jednotky zapojené na levou stranu tandemového vahadla a obě pravé kolové brzdové jendotky zapojené na pravou stranu tandemového vahadle je rovněž přípustné a za běžného provozu funkčně obdobné asymetrickému zapojení.
Na straně kolové jednotky je lano ukončené kovovou objímkou (zátiskem), která se zavléká do spojky lanovod - rozpěrka, která je součástí kolové brzdové jednotky každé nápravy.
UPOZORNĚNÍ: Na trhu se objevují neoriginální napodobeniny lanovodů KNOTT. Tyto napodobeniny mají odlišnou vznitřní konstrukci. V řadě případů se snaží použitím modrého opláštění napodobit vzhled originálních KNOTT lanovodů s nerezovým lankem. Veškeré závady brzdového systému vzniklé použitím neoriginálních napodobenin lanovodů jsou vyloučeny ze záruky.

Doplňkové parametry
| Kategorie: | Lanovody pro přívěsy |
|---|---|
| EAN: | 90032004 |
| Délka lana (mm): | 1440 |
| Délka bovdenu (mm): | 1230 |
| Zakončení: | Závit M8 - zátisk |
| vnější průměr koncovky u zátisku (mm): | 22 |
| vnitřní průměr koncovky u zátisku (mm): | 18.5 |
Hodnocení produktu
Buďte první, kdo napíše příspěvek k této položce.
Diskuze
Buďte první, kdo napíše příspěvek k této položce.